欢迎访问武汉数控延联传动件机械厂官方网站!
咨询热线:

027-82324936

联系我们contact

电话:027-82324936

地址:武汉解放大道新马路站黄合村工业园特1号

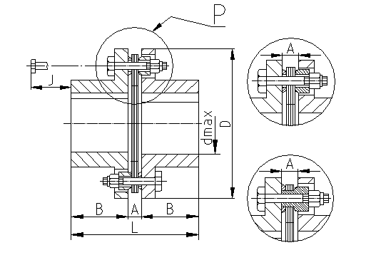
DML型精密膜片联轴器

发布时间:2018-10-29 16:45:15 浏览次数:4594次

DML型精密膜片联轴器

image.png

image.png

带胀紧联接套膜片弹性联轴器基本参数和主要尺寸

image.png


DML单向膜片弹性联轴器基本参数和主要尺寸(键连接)

image.png


SML/D 、SML、SML/C双向膜片弹性联轴器基本参数和主要尺寸(键连接)

image.png